【中国发明,中国发明授权】圆织机及其提经控制方法

有权-审定授权 中国

申请号:
CN201110283042.7
专利权人:
江苏技术师范学院
授权公告日/公开日:
2013.11.06
专利有效期:
2011.09.21-2031.09.21
技术分类:
D03:织造
转化方式:
转让
价值度指数:
59.0分
价格:
面议
2499 0

发布人

江苏理工学院

联系人何老师

0519-88238869
302910554
13151263266
  • 专利信息&法律状态
  • 专利自评
  • 专利技术文档
  • 价值度指数
  • 发明人阵容

著录项

申请号
CN201110283042.7
申请日
20110921
公开/公告号
CN102418199A
公开/公告日
20120418
申请/专利权人
[江苏技术师范学院]
发明/设计人
[杨龙兴, 杨浩轩]
主分类号
D03D37/00
IPC分类号
C12N 9/0008(2013.01) C12N 9/16
CPC分类号
C12N 9/0008(2013.01) C12N 9/16(2013.01)
分案申请地址
国省代码
中国,CN,江苏(32)
颁证日
G06T1/00
代理人
[汤志和]

摘要

本发明涉及一种圆织机及其提经控制方法,该圆织机包括:固定于盘形推梭器中心轴线上的旋转主轴、设于盘形推梭器外侧且内外相邻设置的两组提经杆、位于旋转主轴上并与一驱动电机传动配合以驱动盘形推梭器转动的大齿轮、设于所述盘形推梭器下方的提经驱动机构、设于所述旋转主轴底部的用于检测所述盘形推梭器上的梭子的角度信息的圆光栅编码器;提经驱动机构包括:用于驱动所述两组提经杆分别做提经和降经运动的第一、第二提经驱动装置,该提经驱动装置包括:用于固定一组提经杆的提经杆架和与该提经杆架相连的直线位移驱动器,该直线位移驱动器适于根据所述梭子的角度信息而驱动所述提经杆架上的所述提经杆作提经或降经运动并实施编织。

法律状态

法律状态公告日 20131106
法律状态 授权
法律状态信息 授权
法律状态公告日 20130918
法律状态 著录事项变更
法律状态信息 著录事项变更IPC(主分类):D03D 37/00变更事项:申请人变更前:江苏技术师范学院变更后:江苏理工学院变更事项:地址变更前:213000 江苏省常州市钟楼区中吴大道1801号变更后:213015 江苏省常州市钟楼区中吴大道1801号
法律状态公告日 20120530
法律状态 实质审查的生效
法律状态信息 实质审查的生效
IPC(主分类):D03D 37/00
申请日:20110921
法律状态公告日 20120418
法律状态 公开
法律状态信息 公开
暂无数据

权利要求

权利要求数量(6

独立权利要求数量(2

1.一种圆织机,包括:盘形推梭器(1)、固定于该盘形推梭器(1)中心轴线上的旋转主轴(2)、设于盘形推梭器(1)外侧且内外相邻设置的两组提经杆(3)、位于旋转主轴(2)上并与一驱动电机传动配合以驱动盘形推梭器(1)转动的大齿轮(4),其特征在于还包括:提经控制装置;

该提经控制装置包括:设于所述盘形推梭器(1)下方的提经驱动机构(5)、设于所述旋转主轴(2)底部的用于检测所述盘形推梭器(1)上的梭子(6)的角度信息的圆光栅编码器(7);

所述提经驱动机构(5)包括:用于驱动所述两组提经杆(3)分别做提经和降经运动的第一、第二提经驱动装置(5‑1、5‑2),第一、第二提经驱动装置(5‑1、5‑2)结构相同,第一提经驱动装置(5‑1)包括:用于垂直相间固定一组提经杆(3)的提经杆架(8)和与该提经杆架(8)相连的直线位移驱动器(9),该直线位移驱动器(9)适于根据所述梭子(6)的角度信息而驱动所述提经杆架(8)上的所述提经杆(3)作提经或降经运动并实施编织。

2.根据权利要求1所述的圆织机,其特征在于:所述圆光栅编码器(7)和直线位移驱动器(9)与一控制器,所述圆光栅编码器(7)与盘形推梭器(1)水平同步转动。

3.根据权利要求1所述的圆织机,其特征在于:所述提经杆架(8)上设有5‑10根提经杆(3)。

4.根据权利要求1所述的圆织机,其特征在于:所述提经杆架(8)上的各提经杆(3)呈圆弧形分布,该圆弧的直径与盘形推梭器(1)的直径相等。

5.根据权利要求1所述的圆织机,其特征在于:所述两组提经杆(3)构成一对提经杆组,盘形推梭器(1)的外周均匀分布有多对提经杆组。

6.一种圆织机的提经控制方法,包括以下步骤:

①、控制盘形推梭器(1)水平转动,位于盘形推梭器(1)上的梭子(6)跟随转动;

②、设于所述盘形推梭器(1)的旋转主轴(2)底部的圆光栅编码器(7)跟随盘形推梭器(1)转动,控制器通过该圆光栅编码器(7)实时检测所述梭子(6)的角度信息;

③、当测得梭子(6)转动到所述盘形推梭器(1)一侧的两组提经杆(3)形成梭口的角度时,控制器控制第一、第二直线驱动器(5‑1、5‑2)分别驱动第一、第二提经杆架(8‑1、8‑2)上的提经杆(3)作提经和降经运动,以形成梭口,盘形推梭器(1)带动梭子(6)从所述梭口中经过,梭子(6)上的纬线与所述提经杆(3)顶部的经线产生交织;

④、当测得梭子(6)再次回转至所述梭口的角度时,控制器控制第一、第二直线驱动器(5‑1、5‑2)分别驱动第一、第二提经杆架(8‑1、8‑2)上的提经杆(3)作降和提经运动,以再次形成一梭口,并使梭子(6)再次通过梭口,以使纬线与经线再次产生交织;

⑤、重复上述步骤③‑④。

1.一种圆织机,包括:盘形推梭器(1)、固定于该盘形推梭器(1)中心轴线上的旋转主轴(2)、设于盘形推梭器(1)外侧且内外相邻设置的两组提经杆(3)、位于旋转主轴(2)上并与一驱动电机传动配合以驱动盘形推梭器(1)转动的大齿轮(4),其特征在于还包括:提经控制装置;

该提经控制装置包括:设于所述盘形推梭器(1)下方的提经驱动机构(5)、设于所述旋转主轴(2)底部的用于检测所述盘形推梭器(1)上的梭子(6)的角度信息的圆光栅编码器(7);

所述提经驱动机构(5)包括:用于驱动所述两组提经杆(3)分别做提经和降经运动的第一、第二提经驱动装置(5-1、5-2),第一、第二提经驱动装置(5-1、5-2)结构相同,第一提经驱动装置(5-1)包括:用于垂直相间固定一组提经杆(3)的提经杆架(8)和与该提经杆架(8)相连的直线位移驱动器(9),该直线位移驱动器(9)适于根据所述梭子(6)的角度信息而驱动所述提经杆架(8)上的所述提经杆(3)作提经或降经运动并实施编织。

2.根据权利要求1所述的圆织机,其特征在于:所述圆光栅编码器(7)和直线位移驱动器(9)与一控制器,所述圆光栅编码器(7)与盘形推梭器(1)水平同步转动。

3.根据权利要求1所述的圆织机,其特征在于:所述提经杆架(8)上设有5-10根提经杆(3)。

4.根据权利要求1所述的圆织机,其特征在于:所述提经杆架(8)上的各提经杆(3)呈圆弧形分布,该圆弧的直径与盘形推梭器(1)的直径相等。

5.根据权利要求1所述的圆织机,其特征在于:所述两组提经杆(3)构成一对提经杆组,盘形推梭器(1)的外周均匀分布有多对提经杆组。

6.一种圆织机的提经控制方法,包括以下步骤:

①、控制盘形推梭器(1)水平转动,位于盘形推梭器(1)上的梭子(6)跟随转动;

②、设于所述盘形推梭器(1)的旋转主轴(2)底部的圆光栅编码器(7)跟随盘形推梭器(1)转动,控制器通过该圆光栅编码器(7)实时检测所述梭子(6)的角度信息;

③、当测得梭子(6)转动到所述盘形推梭器(1)一侧的两组提经杆(3)形成梭口的角度时,控制器控制第一、第二直线驱动器(5-1、5-2)分别驱动第一、第二提经杆架(8-1、8-2)上的提经杆(3)作提经和降经运动,以形成梭口,盘形推梭器(1)带动梭子(6)从所述梭口中经过,梭子(6)上的纬线与所述提经杆(3)顶部的经线产生交织;

④、当测得梭子(6)再次回转至所述梭口的角度时,控制器控制第一、第二直线驱动器(5-1、5-2)分别驱动第一、第二提经杆架(8-1、8-2)上的提经杆(3)作降和提经运动,以再次形成一梭口,并使梭子(6)再次通过梭口,以使纬线与经线再次产生交织;

⑤、重复上述步骤③-④。

说明书

技术领域

本发明涉及一种圆织机及其提经控制方法。 

背景技术

圆织机是编织较大型塑料包装制品的专用机器。它以经线和纬线相互交叉编织的方法,将塑料丝编织成各种包装制品,如圆形编织袋。在经纬交叉的控制中,通过大功率交流电动机驱动空间凸轮,从而带动若干杠杆机构控制提经圆环带动经线向上、向下运动,形成穿纬开口供走圆周运动的梭子穿过上下间隔的经线,形成相互交叉的经纬编织制品。 

上述现有技术中的圆织机采用机械空间凸轮带动若干杠杆运动进行提经,杠杆一端在空间凸轮曲线槽中运动产生较大的摩擦力,使得交流驱动电机的负荷较大,这导致耗电量较大,且导致电机往往发生过载而烧毁的情况。其次,与交流驱动电机传动配合的减速器承受较大的传递力矩,且容易使齿轮箱中轮齿折断。再次,杠杆和空间凸轮之间的摩擦很容易使摩擦部位磨损,严重影响了圆织机的使用寿命,同时工作噪音大。 

中国专利文献CN2518877公开了一种六梭圆织机, 其工作时,装在主轴上的凸轮的转动驱动滑块运动,并带动长短吊带作上下往复运动,进而带动经线作上下交替动作,从而实现开口动作,由于推梭器转动时,推动了梭子作回转运动,并连续不断地穿过作周期性开交动作的经线,将纬线织入其中,完成了经线和纬线的编织工作。该方案,同样存在交流驱动电机的负荷较大,凸轮摩损严重、使用寿命较短和工作噪音大的问题。 

发明内容

本发明要解决的技术问题是提供一种低能耗、长寿命且工作噪音较小的圆织机及其提经控制方法。 

为解决上述技术问题,本发明通过一种圆织机,包括:盘形推梭器、固定于该盘形推梭器中心轴线上的旋转主轴、设于盘形推梭器外侧且内外相邻设置的两组提经杆、位于旋转主轴上并与一驱动电机传动配合以驱动盘形推梭器转动的大齿轮,其特点是还包括:提经控制装置;该提经控制装置包括:设于所述盘形推梭器下方的提经驱动机构、设于所述旋转主轴底部的用于检测所述盘形推梭器上的梭子的角度信息的圆光栅编码器;所述提经驱动机构包括:用于驱动所述两组提经杆分别做提经和降经运动的第一、第二提经驱动装置,第一、第二提经驱动装置结构相同,第一提经驱动装置包括:用于垂直相间固定一组提经杆的提经杆架和与该提经杆架相连的直线位移驱动器,该直线位移驱动器适于根据所述梭子的角度信息而驱动所述提经杆架上的所述提经杆作提经或降经运动并实施编织。 

进一步,为控制直线位移驱动器按照梭子转动位置协调作出相应的动作,所述圆光栅编码器和直线位移驱动器与一控制器相连。当光栅编码器与盘形推梭器配合水平同步转动时,圆光栅编码器采集设于盘形推梭器上的梭子的角度信息,所述控制器通过采集的梭子的角度信息控制直线位移驱动器驱动各提经杆架带动提经杆作相应的提经或降经运动。 

进一步,所述提经杆架上设有5-10根提经杆,以便于提经杆顶部的多根经线一次形成一较深梭口,单次使一根纬线同时与5-10根经线进行交织,进而提高编织效率。 

进一步,所述提经杆架上的各提经杆呈圆弧形分布,该圆弧的直径与盘形推梭器的直径相等,以方便盘形推梭器带动梭子从所述梭口中经过,防止断线。 

进一步,为提高编织效率,所述两组提经杆构成一对提经杆组,盘形推梭器的外周均匀分布有多对提经杆组。 

上述圆织机提经控制装置的工作方法,包括: 

①、控制盘形推梭器水平转动,位于盘形推梭器上的梭子跟随转动;

②、设于所述盘形推梭器的旋转主轴底部的圆光栅编码器跟随盘形推梭器转动,控制器通过该圆光栅编码器实时检测所述梭子的角度信息;

③、当测得梭子转动到所述盘形推梭器一侧的两组提经杆形成梭口的角度时,控制器控制第一、第二直线驱动器分别驱动第一、第二提经杆架上的提经杆作提经和降经运动,以形成梭口,盘形推梭器带动梭子从所述梭口中经过,梭子上的纬线与所述提经杆顶部的经线产生交织;

④、当测得梭子再次回转至所述梭口的角度时,控制器控制第一、第二直线驱动器分别驱动第一、第二提经杆架上的提经杆作降和提经运动,以再次形成一梭口,并使梭子再次通过梭口,以使纬线与经线再次产生交织;

⑤、重复上述步骤③-④。

本发明具有的技术效果:(1)利用直线驱动器代替原圆织机中空间凸轮带动若干杠杆运动进行提经,避免空间凸轮曲线槽运动产生的较大摩擦力,降低交流驱动电机功率,节约电能;(2)避免了杠杆与空间凸轮之间的磨损,较低了噪音、提高了圆织机的使用寿命,进而大幅较低了使用、维护成本。 

附图说明

为了使本发明的内容更容易被清楚的理解,下面根据的具体实施例并结合附图,对本发明作进一步详细的说明,其中 

图1为本发明的圆织机及其提经控制装置的结构示意图;

图2为图1的A向局部视图。

具体实施方式

下面结合附图及实施例对本发明进行详细说明: 

(实施例1)

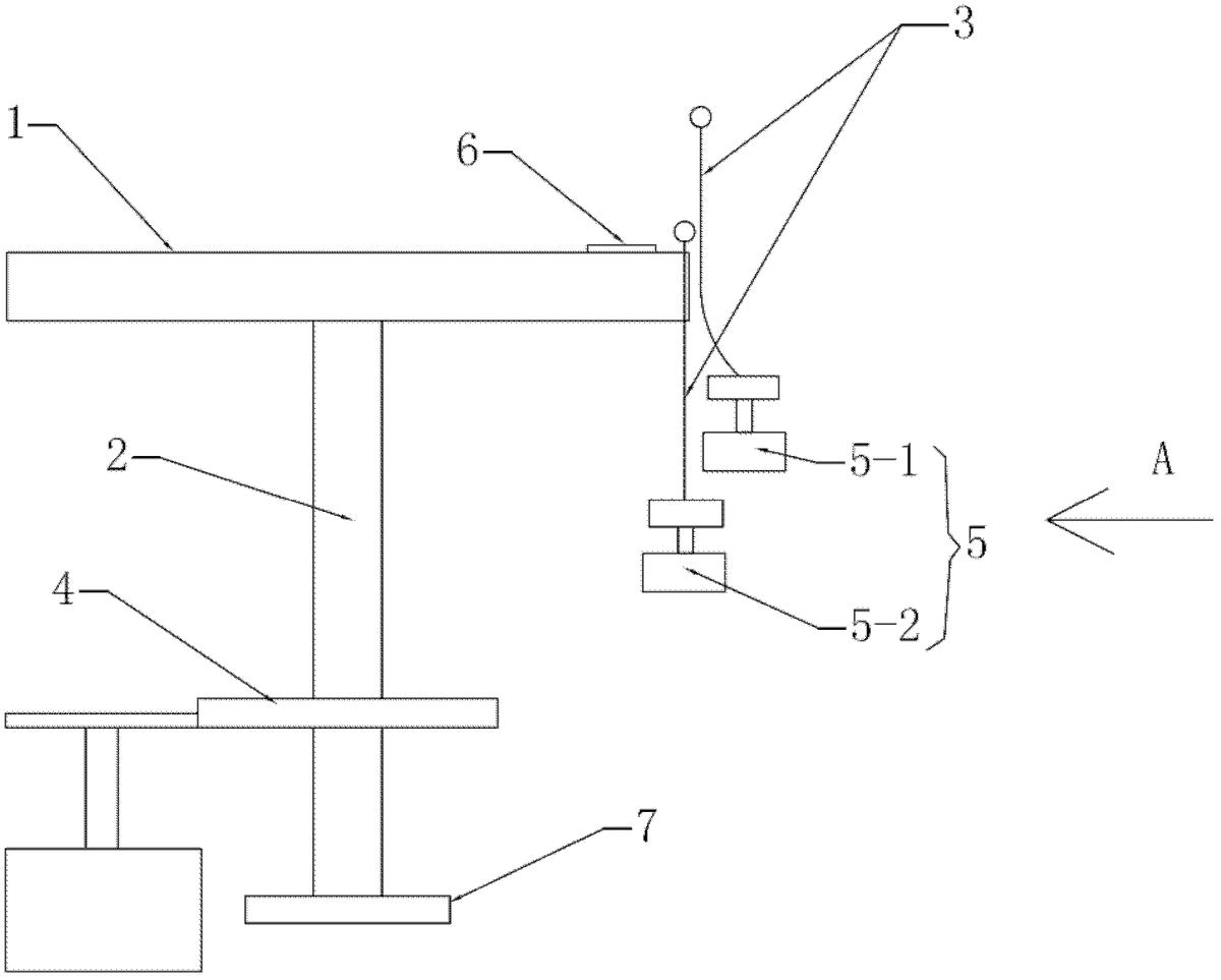
如图1-2,本发明的圆织机是在传统圆织机基础上对提经控制部分进行改进,该圆织机包括:盘形推梭器1(也称:主转盘)、固定于该盘形推梭器1底面的中心轴线上的旋转主轴2、设于盘形推梭器1外侧且内外相邻设置的两组提经杆3、位于旋转主轴2上并与一驱动电机传动配合以驱动盘形推梭器1转动的大齿轮4和提经控制装置。

所述提经控制装置包括:设于所述盘形推梭器1下方的提经驱动机构5、设于所述旋转主轴2底部的用于检测所述盘形推梭器1上的梭子6的角度信息的圆光栅编码器7。梭子6一般为4个或6个,甚至更多,均布于盘形推梭器1上。 

所述提经杆3也叫“棕杆”,是用于提升经线的装置。 

所述提经驱动机构5包括:用于驱动所述两组提经杆3分别做提经和降经运动的第一、第二提经驱动装置5-1、5-2。 

第一、第二提经驱动装置5-1、5-2结构相同,第一提经驱动装置5-1包括:用于垂直相间固定一组提经杆3的提经杆架8和与该提经杆架8相连的直线位移驱动器9,该直线位移驱动器9适于根据所述梭子6的角度信息而驱动所述提经杆架8上的所述提经杆3作提经或降经运动并实施编织。 

为控制直线位移驱动器按照梭子转动位置协调作出相应的动作,所述圆光栅编码器7和直线位移驱动器9与一控制器相连。当光栅编码器7与盘形推梭器1水平同步转动时,圆光栅编码器7采集设于盘形推梭器1上的梭子6的角度信息,所述控制器通过采集的梭子6的角度信息控制直线位移驱动器9驱动各提经杆架8带动提经杆3作相应的提经或降经运动。 

所述提经杆架8垂直相间固定设有5-10根提经杆,以便于提经杆顶部的多根经线一次形成一较深梭口,单次使一根纬线同时与5-10根经线进行交织,进而提高编织效率。 

所述提经杆架8上的各提经杆3呈圆弧形分布,该圆弧的直径与盘形推梭器1的直径相等,以方便盘形推梭器1带动梭子6从所述梭口中经过,防止断线。 

作为优化的实施方式,以提高编织效率,所述两组提经杆3构成一对提经杆组,盘形推梭器1的外周均匀分布有3-10对提经杆组。 

  

(实施例2)

在实施例1所述圆织机的基础上,本实施例的圆织机的提经控制方法,包括:

①、控制盘形推梭器1水平转动,位于盘形推梭器1上的梭子6跟随转动;

②、设于所述盘形推梭器1的旋转主轴2底部的圆光栅编码器7跟随盘形推梭器1转动,控制器通过该圆光栅编码器7实时检测所述梭子6的角度信息;

③、当测得梭子6转动到所述盘形推梭器1一侧的两组提经杆3形成梭口的角度时,控制器控制第一、第二直线驱动器5-1、5-2分别驱动第一、第二提经杆架8-1、8-2上的提经杆3作提经和降经运动,以形成梭口,盘形推梭器1带动梭子6从所述梭口中经过,梭子6上的纬线与所述提经杆3顶部的经线产生交织;

④、当测得梭子6再次回转至所述梭口的角度时,控制器控制第一、第二直线驱动器5-1、5-2分别驱动第一、第二提经杆架8-1、8-2上的提经杆3作降和提经运动,以再次形成一梭口,并使梭子6再次通过梭口,以使纬线与经线再次产生交织;

⑤、重复上述步骤③-④,直至完成编织。

显然,上述实施例仅仅是为清楚地说明本发明所作的举例,而并非是对本发明的实施方式的限定。对于所属领域的普通技术人员来说,在上述说明的基础上还可以做出其它不同形式的变化或变动。这里无需也无法对所有的实施方式予以穷举。而这些属于本发明的精神所引伸出的显而易见的变化或变动仍处于本发明的保护范围之中。 

价值度评估

技术价值

经济价值

法律价值

0 0 0

59.0

0 50 75 100
0~50 50~75 75~100 价值较低 中等价值 价值较高

专利价值度是通过科学的评估模

型对专利价值进行量化的结果,

基于专利大数据针对专利总体特

征指标利用计算机自动化技术对

待评估专利进行高效、智能化的

分析,从技术、经济和法律价值

三个层面构建专利价值评估体

系,可以有效提升专利价值评估

的质量和效率。

总评:59.0


该专利价值中等 (仅供参考)

        该专利的技术、经济、法律价值经系统自动评估后的总评得分处于平均水平,可以重点研究利用其技术价值,根据法律价值的评估结果选择合适的使用借鉴方式。
        本专利文献中包含【2 个技术分类】,从一定程度上而言上述指标的数值越大可以反映出所述专利的技术保护及应用范围越广。 【专利权的维持时间15 年】专利权的维持时间越长,其价值对于权利人而言越高。

技术价值    30.0

该指标主要从专利申请的著录信息、法律事件等内容中挖掘其技术价值,专利类型、独立权利要求数量、无效请求次数等内容均可反映出专利的技术性价值。 技术创新是专利申请的核心,若您需要进行技术借鉴或寻找可合作的项目,推荐您重点关注该指标。

部分指标包括:

授权周期(发明)

25 个月

独立权利要求数量

0 个

从属权利要求数量

0 个

说明书页数

3 页

实施例个数

0 个

发明人数量

2 个

被引用次数

0 次

引用文献数量

0 个

优先权个数

0 个

技术分类数量

2 个

无效请求次数

0 个

分案子案个数

0 个

同族专利数

0 个

专利获奖情况

保密专利的解密

经济价值    7.0

该指标主要指示了专利技术在商品化、产业化及市场化过程中可能带来的预期利益。 专利技术只有转化成生产力才能体现其经济价值,专利技术的许可、转让、质押次数等指标均是其经济价值的表征。 因此,若您希望找到行业内的运用广泛的热点专利技术及侵权诉讼中的涉案专利,推荐您重点关注该指标。

部分指标包括:

申请人数量

1

申请人类型

院校

许可备案

0 次

权利质押

0 次

权利转移

0 个

海关备案

法律价值    22.0

该指标主要从专利权的稳定性角度评议其价值。专利权是一种垄断权,但其在法律保护的期间和范围内才有效。 专利权的存续时间、当前的法律状态可反映出其法律价值。故而,若您准备找寻权属稳定且专利权人非常重视的专利技术,推荐您关注该指标。

部分指标包括:

存活期/维持时间

15

法律状态

有权-审定授权